Email Address

info@ustksa.com

Phone Number

+966 558383496

Product Details

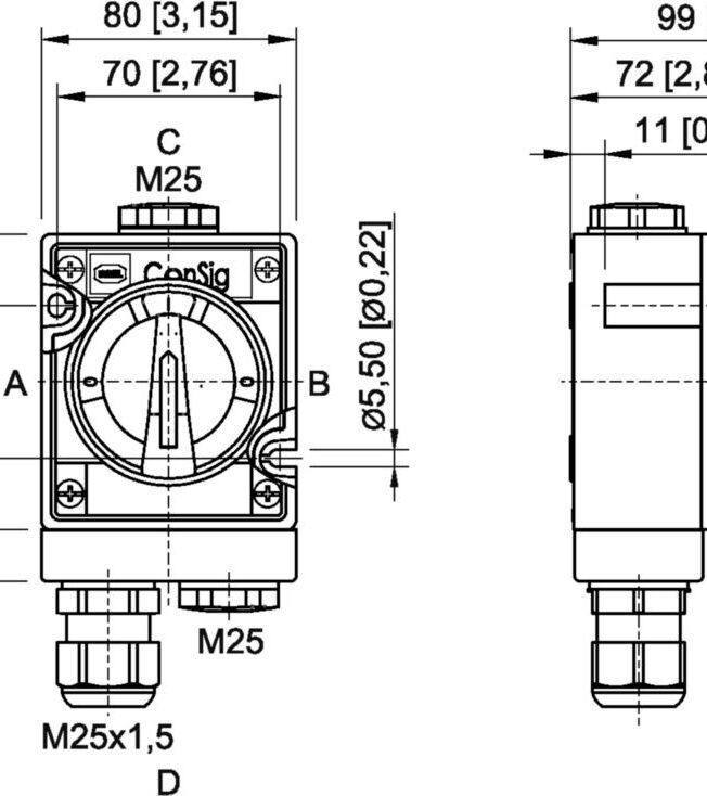
Installation switch Off switch, 690 V, Polyester resin, Number of poles: 2, Stopping plugs: 2 x M25 x 1.5, Cable glands and entries: 1 x M25 Ø 7 … 17 mm, Sealing material: Silicone, Zone 1/2/21/22

Product Type: 8040/11-V30-033-S
Art. No.: 245656
Highlights
Two-pole off switch or two-way switch version
Enclosure made of glass fibre reinforced polyester resin
Degree of protection IP66 according to IEC/EN 60529
Clear position display 0/1 or ON/OFF
Functional Description
The installation switches of Series 8040/11-V30 are used for switching lighting systems. The switching position is clearly shown by the 90° switch. This is an advantage if the lighting system and the switch are housed in different rooms. The fluorescent rotary actuator makes orientation possible if the lighting fails.